5 Tanklaster (3 sp.) 1 Arbeidskrav
5.1 Oljelaster
5.1.1 Forklare at oljelaster kan representere farer m.h.t. brann/eksplosjon, volumutvidelse, forurensning og helse.
Brann og eksplosjon: (ISGOTT)
Har laget et utdrag fra ISGOTT med det jeg mener er viktigst i henholdt til pensum:
Brannfare
For at en brann skal kunne oppstå, må vanligvis tre betingelser være oppfylt:
- Oksygen (O2)
- Brennbart stoff
- Antennelseskilde
Figuren nedenfor viser branntrekanten.

Oksygen:
Vanlig luft inneholder ca. 21% oksygen (O2). Derfor vil vanlig luft oppfylle en av kravene for antennelse.
Dersom innholdet av luft reduseres, reduserer du faren for antennelse skal finne sted. Dersom innholdet av oksygen kommer under 11%, vil ikke antennelse finne sted. Herfra kravet til IMO, med sikkerhetsmargin. Det vi med andre ord si at dersom vi redusere oksygenet til under 11%, vil en av betingelsene til antennelse være eliminert.
Brennbart materiale:
De aller fleste stoffer som fraktes med oljetankere og gasstankere er brennbare. Også en del av stoffene som fraktes med kjemikalietanker er brennbare. Som tidligere nevnt, er det ikke selve væsken som antenner, men gassen som utvikles av væsken. Det er som regel et rom med gass mellom væsken og opp under dekk. Dette er i de fleste tilfeller svært brennbart dersom tanken ikke er inertet. De forskjellige stoffene som fraktes med tankskip er mer eller mindre flyktige (volatile), og flyktigheten øker med temperaturen.
Flammepunktet ble definert som den laveste temperaturen der væsken avgir nok gass til at en antennelse kan finne sted. Dersom vi øker temperaturen over flammepunktet, vil avgassingen også øke. Maksimal avgassing får vi dersom temperaturen i væsken når kokepunktet for stoffet.
Under transport med tankskip vil de brennbare stoffene vanligvis ha en temperatur som ligger over flammepunktet, og dermed vil faren for antennelse ofte være til stede.
Vi har tidligere gjort rede for at blandingen av oksygen og brennbar gass må ligge innenfor visse grenser (flammable range) for at en antennelse eventuelt skal kunne finne sted. Generelt vil det farlige området i en blanding av oksygen og brennbar gass være når konsentrasjonen av brennbar gass ligger mellom 1 og 10 volumprosent. Dersom konsentrasjonen av brennbar gass ligger under 1 volumprosent, vil mest sannsynlig (LEL/LFL) også være under 100%. Noe som vil si at den ikke kan antenne, blandingen er for mager. Gasser kan antenne over 100% LEL, men under 100% UEL.
Dersom konsentrasjonen av brennbare gasser kommer over 10 volumprosent (UEL/UFL), vil blandingen være for fet (too rich).
I tillegg må innholdet av oksygen(O2) i luften (tanken) være over 11% for at en antennelse skal kunne finne sted.
Figuren nedenfor viser et bilde av et brennbarhetsdiagram «Flammability composition diagram».

Bilde av brennbarhetsdiagremmet er hentet fra ISGOTT.
Forklaring til noen av punktene i brennbarhetsdiagrammet.
- Punkt A: 20.9% O2 og LEL 0%
- Punkt C: LEL 100%
- Punkt D: 100% UEL
- Punkt F: Her må vi inerte med inertgass, dersom vi begynner med frisk luft (vifter) vil vi gå gjennom sekken «Flamable Reason» mot punkt A, som vil lage en eksplosiv atmosfære i tanken. Men dersom vi inerte med nitrogen, vil inertgassen fortrenge volum prosent gass og oksygen. Og vi vil gå sakte ned mot punkt J. Punkt J vil ligge der du har stilt inn renheten inertgassanlegget skal produsere. Her er minste kravet 5% O2 (på nye skip er O2kravet lavere).
- Punkt L: Dette er et kritisk punkt, her bør du inerte litt til, slik at du kommer deg godt under sekken (Flamable Reason) når du begynner ventileringen med luft. Gjerne inert til du er nede med punkt H. Ved punkt H vil du ha god klaring til sekken, og gassfriingen av tanken kan gjennomføres sikkert.
Noen flytende kjemikalier, som for eksempel syrer og baser, avgir normalt ikke brennbare gass, men dersom de begynner å reagere med andre stoffer (laster, metaller osv), kan det utvikles brennbar hydrogengass.
Statist elektrisitet (ISGOTT, del 1, kapittel 3)
Statist elektrisitet utgjør en eksplosjonsfare ved håndtering av petroleumsprodukter. Spesielt med tanke på følgende operasjoner, lasting, lossing, tank rengjøring, dipping, ullasje og prøvetaking (lasteprøver -manifold, foot og ferdig lastet/før lossing). Noen operasjoner kan gi økt sjanse for akkumulering av en elektrisk ladning, ladningen kan utløses med nok energi til å antenne en brennbar atmosfære.
Potensiell fare ved elektrisk antennelse kan bli minimert med å inerte tanken.
Oppgave 1. (Svar til spørsmålene finnes i del 1, kapittel 3 ISGOTT)
a) Nevn de tre fysiske prosessene som kan danne en potensielt elektrisk fare.
b) Nevn tiltak for å forhindre elektrisk fare (punk 3.2 ISGOTT).
Spørsmål fra K 12, kapittel 8 ASTM, ullasje og beregninger (volumutvidelse).
Oppgave 2
a) Hva finner vi i tabell 53A, 54A og 56?
b) Hva betyr VRF?
c) Hvorfor er VRF 1,00 på 15°C
d) Hva er forskjell på litervekt og densitet?
e) Hva er en kapasitets plan?
f) Hvorfor har tankskip overfyllalarmer?
g) Hva finner vi dersom vi måler ullasje?
h) Hvordan måler en tank radar ullasjen og hvor nøyaktig kan det være?
Forurensning: Annex 1, er gjennomgått tidligere. Pensumet nevner ikke OPA 90, anbefalt å se litt på OPA.
Helsefare: (ISGOTT)
Har laget et utdrag fra ISGOTT, med det jeg mener er viktigst:
Helsefare
For personell om bord i tankskip vil det hovedsakelig være gassene som avgis fra den flytende lasten, som representerer den største helsefaren. Det vil si innånding av slik gass eller eventuelt opptak gjennom huden. Direkte kontakt med de flytende stoffene kan også føre til helse skade.
Fare ved flytende last
Det er vel relativt liten sjanse for at flytende last skal svelges. Det må skje ved rent uhell.
Rene oljeprodukter kan ikke sies å være direkte giftige, men ofte vil oljeproduktene kunne inneholde stoffer som benzene eller hydrogensulfid (H2S), og disse stoffene regnes som svært giftige. Henviser til ISGOTT 2.3.5.2 Benzene "Exposure to concentrations of benzene vapours of only a few parts per million in air may affect bone marrow and may cause anaemia and leukaemia". Se liste fra ISGOTT på H2S.
| H2S Concentration (PPM by volume in air | Physiological Effects |
|---|---|
| 0.1 – 0.5 ppm | First detectable by smell. |
| 10 ppm | May cause some nausea, minimal eye irritation. |
| 25 ppm | Eye and respiratory tract irritation. Strong Odour. |
| 50 – 100 ppm | Sense of smell starts to break down. Prolonged exposure to concentrations at 100 ppm induces a gradual increase in the severity of these symptoms and death may occur after 4 – 48 hours of exposure. |
| 150 ppm | Loss of sense of smell in 2 – 5 minutes. |
| 350 ppm | Could be fatal after 30 minutes of inhalation. |
| 700 ppm | Rapidly induces unconsciousness (few minutes) and death. Causes seizures, loss of control of bowel and bladder. Breathing will stop and death will result if not rescued promptly. |
| 700 + ppm | Immediately fatal. |
Note
Persons over-exposed to H2S vapour should be removed to clean air as sons as possible. The adverse effects of H2S can be reversed and the probability of saving the person's life improved if proper action is taken
Dersom olje eller oljeprodukter skulle bli svelget, vil det føre til ubehag og kvalme med oppkast. Dessuten kan det ved oppkast være fare for at stoffet kan blir ført inn i lungene og føre til alvorlige skader på disse organene.
Hudkontakt med flytende oljeprodukter kan virke irriterende på huden og føre til utslett og eksem, spesielt hvis slik kontakt går over lang tid. Slike stoffer vil også virke irriterende dersom man får det i øynene.
Mange kjemikalier vil derimot være skadelige dersom de svelges. Dette både på grunn av giftighet og/eller etsende egenskaper. Noen kjemikalier kan fryse lungene dine dersom de pustes inn, flere kjemikalier har smeltepunkt mellom 40°C og 70°C, som vil bety at de vil fryse med kroppstemperaturen din. Mange kjemikalier er svært kreftfremkallende, svært etsende og svært giftig. Dersom en får kjemikalier på hud og øyne kan en bruke diphoterine på nesten alle typer kjemikalier for å nøytralisere stoffet. Du kan få disse fra små beholdere for øynene til spray flasker på 5 liter (alla brannslukningsapparater) for hudkontakt.
Flytende gass transporteres vanligvis ved svært lave temperaturer og hudkontakt med slike kalde stoffer kan føre til frostskader (frostbite). Slike frostskader minner om brannsår og behandles på liknende måte som brannskader.
Fare ved gass
Det er særlig innånding av gasser som kan føre til helseskade, både akutt og over tid. Men enkelte gasser vil også kunne tas opp i kroppen gjennom huden.
Gasser fra oljeprodukter vil i tillegg til de vanlige hydrokarbongassene ofte inneholder mindre mengde av aromatiske forbindelser som benzene, touluene og xylene. Dessuten kan det også finnes mindre mengde av hydrogensulfid og forskjellige tilsetningsstoffer som inneholder bly (lead). Alle disse stoffene er mer eller mindre helseskadelige, sammen med mange andre kjemikalier.
Dersom vi puster inn gasser fra olje eller oljeprodukter, kan selv små mengder føre til nedsatt vurderingsevne og svimmelhet på linje med virkningen av rusmidler. Hodepine og irritasjon av øyne vil også merkes.
Innånding av hydrokarbongasser med høy konsentrasjon (over 2 volumprosent) kan raskt føre til bevisstløshet, lammelser og eventuelt død.
For vanlig bensindamp er det satt en TLV på 300 ppm, og denne grensen blir gjerne brukt for alle gasser fra oljeprodukter, forutsatt at gassblandingen ikke inneholder aromater eller H2S.
Gass som dannes fra mange flytende kjemikalier vil ofte være svært giftig og føre til akutt skade på kroppens organer eller senskader med kroniske lidelser.
Akutt forgiftning skjer oftest ved innånding av gass, mens opptak gjennom huden fører til kroniske lidelser over lengre tid.
Opplysning om helsefare ved forskjellige stoffer kan vi finne på databladene for det gitte stoff, pass alltid på å få datablad for det gitte stoff før dere begynner lastingen.
Her vil vi også finne informasjon om hva som bør gjøres dersom uhell skulle inntre under behandling av helsefarlige stoffer, og hva som ikke bør gjøres i slike tilfeller.
For å beskytte seg mot skade er det meget viktig at vi bruker riktig personlig verneutstyr (PPE) og holder oss til de sikkerhetsrutiner som gjelder for behandling av helsefarlige stoffer.
Videre er det viktig at alle om bord gjør seg kjent med de stoffene som skal lastes (gjøres som regel gjennom et pre-arrival møte) og hva som skal gjøres i tilfelle uhell skulle inntreffe.
5.1.2 Beskrive hvordan oljelaster endrer volum ved temperaturendring og definere begrepene ullage og ullage i volum.
Gå gjennom kapittel 8, ullasje i k 12, beregningene av ullasje i meter, volum og prosent kommer senere i oppgavesamlingen.
5.1.3 Identifisere krav ved oljetransport ved oppslag.
Her vil jeg anbefal å bruke MARPOL Annex I og svare på følgende spørsmål.
Oppgave 1
a) Hva er definisjonen på en Crud oil tanker, product carrier og combination carrier?
b) Hva er definisjonen på wing tank, center tank og slop tank?
c) Hva er forskjellen på clean ballast og segregated ballast per definisjon?
d) Når kan vi kjøre ut oljeholdig vann fra maskinen i henholdt til regel 15?
e) Hvor skal oljeholdig vann som lenses på sjøen føres?
f) Hvilke skip skal ha segregerte ballasttanker i henholdt til regel 18 som er bygget etter første juni 1982?
g) I henhold til regel 19 (skip bygget etter første juni 1982) hvor bred skal vingtankene være for å beskytte lastetanken, og hvor høy skal dobbeltbunnen være? Gjør en beregning på M/T Millennium og se om det stemmer.
h) Hvor stor kan lastetankene være på et tankskip i henholdt til regel 26.
i) I henholdt til regel 29 hvor mye slopp kapasitet skal M/T Millennium ha?
j) Hvor mye slopp kapasitet skal et OBO-skip ha?
k) Ifølge regel 31 hva skal en ODM loggføre?
l) Hva er en Oil/Water interface detector?
m) I henholdt til regel 33 hvilke crud oil tankers skal ha COW system om bord?
n) I følger regel 34 hva er kravene til utslipp utenfor spesial areas?
o) Hvilke skip i henholdt til regel 36 skal føre Oil record book Part II og hva skal føres i boken?
p) Ifølge regel 37 hva skal en SOPEP manual inneholde?
5.1.4 Tolke og bruke arrangementstegning, tanktabell, lasteskala og hydrostatiske data for tankskip.
Dette blir gjennomgått i beregningsoppgavene.
5.1.5 Være kjent med tankskipenes systemer for laste, og ballastbehandling med pumper, røropplegg og ventiler.
Dette blir gjennomgått på simulator.
5.1.6 Beskrive prinsippene for bruk av nøytralgassanlegg og være kjent med anleggets kontrollfunksjoner.
Dette blir gjennomgått på simulator og var gjennomgått i punkt 1.1.9.
5.1.7 Beskrive systemet for luftning av tanker via trykk-/vakum-ventil, og hensyn å ta
Dette blir gjennomgått på simulator.
5.1.8 Beskrive at oljens viskositet endres med temperaturen og være kjent med opplegg for oppvarming av oljen i tanker og hensyn å ta.
I Crude oil washing system «II Standard format for the crude oil washing operations and equipment manual» står det følgende for tankskip som ikke har heatecoiler i lastetankene, skal ikke frakte laster som kreve heating for å kunne pumpes. Last med høy viskositet skal crude oil vaskes under lossing for at oljen ikke skal størkne på skottene når oljen kjøles av.
Visse kriterier skal være fulgte angående oljen viskositet ved lossing, den skal ikke overstige 600 cSt og skal være 10°C over hellepunktet. Se diagrammet under for viskositet, diagrammet er for smøreoljer, jeg og har laget en rød linje når lasten har en viskositet på 600 cSt.
Oppgave 1
a) Hva må lossetemperaturen på RMK 700 være for å holde seg under 600 cSt?
b) Dersom en ønsker en viskositet på ca. 400 cSt ved lossing av lasten RM 180, hva må vi da heate opp lasten til?

III Examples
III Examples of crude oil washing operations and equipment manuals som du finner i boken crude oil washing systems tar for seg crude oil washing checklist.
Oppgave 2
a) Diskuter alle punktene i sjekklisten med sidepersonen.
Dersom en må varme opp lasten for å få den flytbar (holde den under 600 cSt), pleier en å heate den opp. Da er det en heater som enten varmer opp olje, vann eller steam. Se bilde av en cargo heater, denne heateren varmer opp vann under trykk slik at kokepunktet på vannet går opp. Da vil temperaturen på vannet kunne være godt over 100°C uten at det koker (blir steam). Det varme mediet (vannet) blir så sirkulert gjennom tankene og tilbake til heateren hvor det blir varmet opp før det blir sendt tilbake gjennom coilene nede i tankene.

Bildet er gitt av Jan S. Kyrkjeeide, og viser en cargo heater på en kjemikalietanker.
I heateren varmes vannet opp før det sendes ut på dekk i en delvis isolert line (se linene inn og ut fra heateren).

Bildet er gitt av Jan S. Kyrkjeeide, og viser ventilene og blindflensene fra heatelinen til heatecoilene på en kjemikalietanker.
Dersom en snur blindflensen og åpner ventilen vil vannet strømme ned i heate coilene som ligger i tanken. To av ventilene vist på bilde er sløyfen ned til tanken og de to resterende er retur fra tanken.

Bildet er gitt av Jan S. Kyrkjeeide, og viser heatlinen ned til tanken, bilde er fra en kjemikalietanker og vi ser fire sløyfer.

Bildet er gitt av Jan S. Kyrkjeeide, og viser heatecoilene ned i tanken, bilde er fra en kjemikalietanker.
Her blir lasten varmet opp nede i tanken, varmen stiger opp og slik får du litt sirkulasjon i lasten, da vil en få jevn varme i tanken. Min erfaring er dersom en varmer lasten mye opp er den alltid noen grader varmere i bunnen av tanken en på toppen av tanken.

Bildet er gitt av Jan S. Kyrkjeeide, og viser heatecoilene rundt en deep weel sentrifugalpumpe ned i en lastetank, bilde er fra en kjemikalietanker.
Heate coilen går rundt pumpen, da den vil sørge for at lasten blir pumpbar ved lossing.
5.1.9 Beskrive sikkerhetsrutiner ved lasting/lossing og underveis med oljelast.
Dette blir gjennomgått på simulator.
5.2 Oljens egenskaper
5.2.1 Identifisere fysiske egenskaper ved hjelp av veiledninger o.l. og forklare hvordan olje klassifiseres og måles.
Forstå dette punktet som om en skal ha en fordypning i ASTM tabellene for petroleumsprodukter. ASTM Tabellen var gjennomgått i punkt 5.1.1.
5.2.2 Beskrive risiko knyttet til oljetransport: - Brann/eksplosjon - Utvidelse - Forurensning - Helsefare.
Dette er tatt med i punkt 5.1.1.
5.2.3 Forklare hensikten med internasjonale regler for transport, og forstå viktigheten av å følge reglene.
Her bør en nevne viktigheten med å følge SOLAS, MARPOL, ISGOTT og annet regelverk for oljetransport.
5.3 Oljetransport
5.3.1 Kjennskap til arrangement og egenskaper for vanlige råolje – og produkttankskip.
Oppgave 1. Bruk K 12, kapittel 8 og svar på følgende spørsmål
a) Hvordan fraktes oljen i dag kontra 1890 årene?
b) Hvor stor er en supertanker?
c) Hvilke typer laster lastes av en oljetanker?
d) Hva er forskjellen på en produkttanker og en råoljetanker?
e) Hva er det som skiller en råoljetanker fra en kjemikalie eller produkttanker?
f) Hva skiller en produkttanker fra en kjemikalietanker?
g) Hva frakter en produkttanker?
h) Hvorfor har vil nivåalarmer på tankskip og hvordan går disse av?
i) Hvordan virker tankradaren på moderne tankskip?
j) Dersom det er forskjell fra skipets tall og surveyerens berginger etter lossing, hva er da normalt å gjøre?
5.3.2 Beskrive vanlig brukte lastesystemer mht. røropplegg, ventiler og pumpearrangement ved hjelp av arrangementsplan.
Dette blir gjennomgått på simulator.
5.3.3 Ved hjelp av «Inert Gas Manual», forklare bruken av nøytralgassanlegg.
Spørsmålene som er laget, er tatt fra Inert Gas Systems som er en IMO-publikasjon.

Bilde av brennbarhetsdiagrammet er tatt fra ISGOTT (2006).
Oppgave 1
a) Forklar hva som menes med bilde (Brennbarhetsdiagrammet) og viktigheten av å holde O² nivået under 8%?
b) Hva gjør vi dersom vi beveger oss fra punkt F-A, som er kritisk?
c) Hvordan kommer vi oss fra F til H?
d) Hvordan kan vi komme oss fra F til A sikkert?
e) Hva menes med Methods of gas replacement?
f) Nevn hva som er viktig å ha kontroll på i tank atmosfæren.
g) Hvordan virker Inert gas scrubberen?
h) Hvordan virker inert gas blowers?
i) Hva er funksjonen til nonreturn valve og deck water seal?
j) Når skal lastetankene være inertet?
Krav til Inert gas fra SOLAS. SOLAS regele II-2/4.5.5 og II-2/16.3.3 krever at inert gas system skal monteres på alle nye olje og kjemikalietankere over 8 000 dwt og over (når de frakte low flash last (<60°).
For tankere utstyrt med exhaust gas inert system, skal tankene være inertet under lasting, ved seilas, under lossing, ved tank cleaning og purges før gassfriing.
På gamle systemer er kravet til inert i tankene under 8%, på skip med nye systemer er kravet satt til under 5%.
5.3.4 Ved hjelp av reglene for tankrengjøring og IMO´s «Crude Oil Washing System», forklare godkjente metoder og prosedyrer.
Her brukes IMO sin publikasjon «Crude Oil Washing Systems» og besvar følgende spørsmål.
Oppgave 1
a) Hvilke skip har krav til COW?
b) Hva er kravene til rørsystemet som supplerer oljen til COW kanonene?
c) Hvilke krav stilles til «Tank Washing Machines»?
d) Hvilke krav stilles til en COW – Pumpe?
e) Hva krav stilles til strippe systemet på COW anlegget.
f) Hvilke krav stilles til personen som har ansvar for COW operasjonen?
g) I henholdt til 6.1 hvor ofte skal en tank crud oil vaskes?
h) Hva skal gjøres før avgang i henholdt til regel 6.2
i) Når skal COW operasjonen stoppes i henhold til regel 6.6 med tanke på inert gas?
5.3.5 Forklare metoder for ballasting og definere krav mht. SBT/CBT og bruk av COW/IGS.
Detter er gjennomgått i punkt 5.1.3, 5.3.3 og 5.3.4.
5.3.6 Tolke og bruke vanlig dokumentasjon for oljetankskip.
Har blitt gjennom tidligere under 5.1 oljelast.
5.3.7 Ha kjennskap til spesielle krav for transport i kombinasjonsskip.
Dette er tatt med i 5.1.3.
5.4 Oljelastberegninger
Merk
Begninger utføres i SI-systemet (metrisk), men studentene bør ha kjennskap til andre enheter.
5.4.1 Tolke og bruke skipets tanktabeller/ullagetabeller.
Oppgave 1. Ullasje til volum når skipet ligger «even keel»
a) Matrosen har målt ullasje på C.O.T 1 C til 7,80 meter, hvor mange m³ er det på tanken?
(Svar: 17147,50 m³)b) Matrosen har målt ullasjen på C.O.T 5 P til 3,09 meter, hvor mange m³ er det på tanken?
(Svar: 17201 m³)c) Matrosen måler ullasjen på C.O.T 3 P til 8,05 meter, hvor mange m³ er det på tanken?
(Svar: 16661,7 m³)
Oppgave 2. Volum til ullasje når skipet ligger «even keel»
a) Når vi er ferdig lastet skal det være 23 000 m³ på C.O.T 2 C, hvilken ullasje skal matrosen stoppe lastingen av C.O.T 2 C på?
(Svar: 2,40 m)b) Når vi er ferdiglastet skal det være 10 000 m³ på C.O.T 3 C, hvilken ullasje skal matrosen stoppe lastingen av C.O.T 3 C på?
(Svar: 18,112 m)c) Når vi er ferdiglastet skal det være 6775 m³ på C.O.T 5 s, hvilken ullasje skal matrosen stoppe lastingen av C.O.T 5 S på?
(Svar: 18,284 m)
Oppgave 3. Ullasje når skipet ligger med trim
a) M/T Millennium ligger med 4 meter akterlig trim og ullasjen blir målt til 3 meter i C.O.T 1 C, hvor mange m³ er det på tanken?
(Svar: 20618,8 m3)b) M/T Millennium ligger med 5 meter akterlig trim en skal ha 20 000 m³ på lastetank C.O.T 3 C, hva blir avlest ullasje når en skal stoppe lastingen på tanken?
(Svar: 5,687 m)c) M/T Millennium ligger med forlig trim på 2 meter og en skal stoppe lossingen av C.O.T 5 C på 10 011,7 m³. Hva blir avlest ullasje for matrosene når en skal stoppe ullasjen?
(Svar: 20,391 m)
Oppgave 4. Ullasje når skipet har list og trim
a) M/T Millennium ligger uten trim, samt en list på 1° til styrbord, hvor mange kubikk er det i C.O.T 1 C når ullasjen var målt til 11,22 meter?
(Svar: 11,212 m)b) M/T Millennium ligger med 5 meter akterlig trim, samt en list på 1° til babord, hvor mange kubikk er det i C.O.T 1 C når ullasjen var målt til 12,22 meter?
(Svar: 12,56 m)c) M/T Millennium skal stoppe lastingen av C.O.T 2 C på 10 200 m³, skipet ligger med en trim på 2 meter akterlig samt en list på 2° til babord, hva ullasje skal matrosen stoppe lastingen på?
(Svar: 17,726 m)
Oppgave 5. Ullasje i prosent samt fyllingsgrad i prosent
Hva er volumet, vekten, ullasjen i% og fyllingsgraden i% på tankene?
| Oppgave | Tank | Oljens tetthet | Ullasje | Temperatur |
|---|---|---|---|---|
| A | C.O.T 1C | 0,8720 v. 20°C | Ullasje 2 m | Temp. 18°C |
| B | C.O.T 5C | 0,8900 v. 20°C | Ullasje 0,90 m | Temp. 12°C |
| C | C.O.T 2 S | 0,9050 v. 20°C | Ullasje 3,20 m | Temp. 22°C |
| D | C.O.T 5 S | 0,8950 v. 20°C | Ullasje 12,00 m | Temp. 16°C |
| E | C.O.T 3C | 0,9080 v. 15°C | Ullasje 6,21 m | Temp. 50°C |
| Svar: | Volum | Vekt | Fyllingsgrad i% | Ullasje i% |
|---|---|---|---|---|
| A | 21587 | 18828,21 tonn | 96% | 4% |
| B | 31626,8 | 28287,97 tonn | 99,7% | 0, 3% |
| C | 20465,5 | 18469,8 tonn | 91% | 9% |
| D | 11087,2 | 9939,48 tonn | 59,2% | 40,8% |
| E | 19847,5 | 17526,3 tonn | 81,7% | 18,3% |
5.4.2 Tolke og bruke ASTM's «Petroleum Measurement Tables».
Forklar bruken av tabell 53 A, 54 A, 56 og 58 her bruke vi ASTM tabellene som læringsmateriell. Se kapittel 8, k 12.
5.4.3 Beregne volum og vekt av olje i tanker ved å bruke aktuelle tabeller.
Oppgave 1
Alle tankene er lastet til 98% og M/T Millennium ligger «even keel», hva blir vekt, volum og ullasje?
| Oppgave 1 | Tank | Densitet ved lastetemperatur | Lastetemperatur |
|---|---|---|---|
| A | C.O.T 1 C | 0,9018 | 26°C |
| B | C.O.T 3 C | 0,8840 | 23°C |
| C | C.O.T 2 S | 0,8880 | 12°C |
| D | C.O.T 5 P | 0,8520 | 50°C |
| E | C.O.T 5 C | 0,8780 | 24°C |
| Svar | Volum | Vekt | Ullasje |
|---|---|---|---|
| A | 22 029,0 m³ | 19836,3 t | 1,42 m |
| B | 23798,9 m³ | 21009,5 t | 1,43 m |
| C | 22041,0 m³ | 19548,9 t | 1,188 m |
| D | 18341,1 m³ | 15594,2 t | 1,41 m |
| E | 31074,3 m³ | 27243,8 t | 1,427 m |
Oppgave 2
Alle tankene lastet til maksimalt for reisen. Eks: for reisen på M/T Millennium, hva blir vekt, volum og ullasje på tankene ved avgang?
| Oppgave 2 | Tank | Oljens densitet | Oljens temperatur | Maks temperatur |
|---|---|---|---|---|
| A | C.O.T 1C | 0,8720 v. 15°C | 22°C | 48°C |
| B | C.O.T 5C | 0,8900 v. 15°C | 25°C | 52°C |
| C | C.O.T 2P | 0,9050 v. 15°C | 18°C | 60°C |
| D | C.O.T 5P | 0,8950 v. 15°C | 20°C | 55°C |
| E | C.O.T 3C | 0,9080 v. 15°C | 26°C | 50°C |
| Svar | Vekt | Volum | Ullasje |
|---|---|---|---|
| A | 18671,07 | 21561,72 | 2,047 |
| B | 26823,67 | 30413,5 | 2,015 |
| C | 19244,49 | 21338,52 | 2,087 |
| D | 15887,68 | 17841,24 | 2,157 |
| E | 21015,58 | 23364,57 | 1,96 |
5.4.4 Beregne sikker ullage og maksimum oljelast i tanker på grunn av forventet oljeutvidelse.
Detter er gjennomgått i tidligere oppgaver i dette kapittelet.
Oppgave 1
M/T Millennium skal laste 100 000 m³ olje som har en densitet på 0.8940 t/m³ ved 24°C.
a) Hva blir oljens volum ved avkjøling til 15°C?
(Svar: 99320 m³)b) Hvor mange tonn er dette partiet med olje?
(Svar: 89278,75 tonn)c) Hva blir oljens volum dersom den oppvarmes til 50°C?
(Svar: 102044,5 m3)d) Hva er oljens volum ved 13°C
(Svar: 99171,2 m³)e) Hvor mange BBLS er partiet med olje på ved 15°C?
(Svar: 624702,9 barrels)
5.4.5 Beregne høyeste temperatur en olje kan oppvarmes til uten fare for overfylling
Oppgave 1
M/T Millennium ligger i en havn og skal ta om bord en oljelast som har tetthet 0.886 t/m³ ved 25°C, det samme som lastetemperaturen. Under reisen til lossehavn regner man at temperaturen vil stige til 50°C og deretter avta til 20°C ved ankomst.
a) Hvor mange m³ kan skipet laste på C.O.T 2C?
(Svar: 23798,9 m³)b) Hvor mange tonn olje kan skipet laste på C.O.T 2C?
(Svar: 20642,8 tonn)c) Hvor mange m³ vil det være på denne tanken ved ankomst lossehavn?
(Svar:23242,2 m³)d) Hva var ullasje på tanken etter lasting og ved ankomst lossehavn?
(Svar: ank. 2,11 m)
Oppgave 2
M/T Millennium ligger i havn og laster olje som har tetthet 0.9042 t/m³ ved 21°C. Tankene har en fyllingsgrad på 98% ved 21°C. Gå ut ifra at skipet ligger even keel under hele reisen.
a) Hvor mange tonn har vi lastet på C.O.T 1P/S?
(Svar: 17806,82 tonn)b) Vi vil finne ut hvor mye temperaturen kan stige til før det renner over på dekk?
(Svar: 47,5°c)c) Ved ankomst lossehavn var det oppdaget en lekkasje i C.O.T 1S ullasje ble målt til 3,04 meter og en temperatur på 26°C. Hvor mye olje har lekket ut?
(Svar: 1257,3 tonn)
Oppgave 3
M/T Millennium ligger og laster Arabian Light Crude. Innlastningstemperaturen er på 23⁰C. Densiteten ved 23⁰C er oppgitt til 0,8820 t/m3. En holder på å sluttelaste i C.O.T 3C, en leser av en ullasje på 520 cm, og oljens temperatur i lasten måles til 23⁰C. Skipet ligger «even keel».
a) Hvor mange tonn olje er det på tanken da?
(Svar: 18217,3 tonn)
På C.O.T 3 C skal en ha 5% ullasje, når den er ferdig lastet. Skipet vil da ligge «even».
b) Hvor mange tonn olje vil en da ha på tanken, og hva blir avlest ullasje i meter?
(Svar: 20 319,9 tonn & ullasje 2,315 m)
En regner med å varme opp oljen i C.O.T 3 C til 52⁰C på reisen. Anta at fartøyet ligger «even».
c) Hva blir ullasje i cm da?
(Svar: 23611,4 m³ & ullasje 1,66 m)d) Til hvilken temperatur kan oljen i tanken varmes opp til, om en vil ha 2% ullasje i tanken?
(Ca: 61,5%)
5.4.6 Være kjent med korreksjoner som må brukes på tanktabellene p.g.a. usymmetri ved ullagemåling
Oppgave 1
Med målt ullasje menes den ullasjen som matrosen måler, for eksempel med en Hermetic UTI. Dersom du skal legge ullasjen inn i lastecomputeren må du ofte gjøre den om til teoretisk ullasje (ullasjen du finner i plansjen). Ved ullasje i styrbord tanken skal den nederste linjen merket styrbord (S.Side tank) brukes, se bilde. Der styrbord er til venstre.

Finn teoretisk ullasje?
| Tanker: | Målt ullasje) | Trim | List | Svar: |
|---|---|---|---|---|
| C.O.T 2C | 2,42 m | 2 m (a) | 2° Styrbord | 2,548 m |
| C.O.T 1C | 6,58 m | 8 m (a) | 1° Babord | 7,119 m |
| C.O.T 5C | 8,00 m | 2 m (F) | 1° Styrbord | 7,905 m |
| C.O.T 1P | 2,74 m | 5 m (a) | 2° Styrbord | 2,944 m |
| C.O.T 5S | 12,00 m | 7 m (a) | 3° Babord | 12,5345 m |
Oppgave 2
Med teoretisk ullasje menes ullasjen en finner i plansjen for å ta ut rett ullasje, dersom du skal be en matros stoppe lastingen, må du gjøre dataen du finner om fra teoretisk til målt ullasje (avlest ullasje).
Finn avlest ullasje?
| Tanker: | Teoretisk ullasje | Trim | List | Svar: |
|---|---|---|---|---|
| C.O.T 2C | 2,00 m | 2 m (a) | 2° Styrbord | 1,849 m |
| C.O.T 1C | 6,60 m | 8 m (a) | 1° Babord | 6,077 m |
| C.O.T 5C | 8,20 m | 2 m (F) | 1° Styrbord | 8,279 m |
| C.O.T 1P | 2,70 m | 5 m (a) | 2° Styrbord | 2,497 m |
| C.O.T 5S | 10,00 m | 7 m (a) | 3° Babord | 9,466 m |
5.5 Tankskipoperasjoner
5.5.1 Forklare hensikten med forurensningsregler og demonstrere bruk av «Manual on Oil Pollution».
Manual on Oil Pollution består av fire bind (Sections), der jeg føler bind II og bind III er mest relevante for vårt pensum. Bind I er prevention, mens bind IV er combating oil spills. Vi skal se litt nærmere på hva som befinner seg i bind II og III.
Bind II Contingency Planing er en guid til myndighetene om hvordan man lager en Contingency plan og meningen med å ha en ansvarlig organisasjon.
Du finner blant annet i bind II:
- General response planning considerations.
- Facility, seaport, local and area oil pollution emergency plan.
- National systems for preparedness and response.
- International agreements for preparedness, response and co-operation.
- Intervention and coast recovery.
I appendiksen finner du blant annet hva som skal være med i en emergency plan «Contingency plan».
Oppgave 1. Bruk K 33, Kap. 1,6 Miljømessige sikkerhet, under punktet beredskap
a) Hva skal en SOPEP manual inneholde?
b) Hvilke skip skal ha en SOPEP manual?
c) Hva er forskjellen på en SOPEP og en SMPEP manual?
Bind III Salvage skal gi retningslinjer til administrasjonen og andre som er involverte i maritim oljeforurensning om hvordan stor skade/forurensningen effekten kan reduseres, spesielt med tanke på berging av skipet.
Du finner blant annet i bind III: Advice to master, international convention on salvage, advice to administrations, salvage contracts, salvage methods, rate of drift for disabled tankers, resistance to tow in still water conditions and Loyd's standard form of salvage agreements.
5.5.2 Demonstrere bruk av ICS veiledningene: , «ISGOTT», «Safety in Oil Tankers», «Clean Sea Guide for Oil Tankers».
ISGOTT
ISGOTT sjette utgave består av fire seksjoner:
ISGOTT
- Del 1 General Information.
- Del 2 Tanker Information.
- Del 3 Marine Terminal Information.
- Del 4 Ship/Shore (Tanker/terminal) Interface.
Oppgave 1. Spørsmål fra del 1 General information
a) Hva menes med LFL og UFL?
b) Ta for deg punkt 1.2.3 ISGOTT (The effect of Inert Gas on Flammability) og forklar Flammability composition diagram.
c) Hva er Flashpoint?
d) Hva menes med Non-volatile og volatile?
e) Ved exposure limits har vi to forkortelser TWA og STEL hva menes med disse?
f) Hvilke tiltak kan vi bruke mot tanke/gasser som kan ha inneholdt Benzene og Hydrogen Sulphid?
g) Hva er kravet til gassmåling i dobbeltbunn for oljetankere på 20 000 Dwt?
h) Hvilke instrument brukes for å måle «Toxic gases»?
i) Hva menes med statisk elektrisitet?
Oppgave 2. Spørsmål fra del 2 Tanker Information
a) Hva er hot work?
b) Du skal gjennomføre «hot work» sveisejobb i henhold til ISGOTT i en ballast tank. Hvilke krav må du oppfylle for å få lov til å gjennomføre denne sveisejobben i ballasttanken?
c) Hva er definisjonen på enclosed space?
d) Hvordan skal vi teste atmosfæren i lukket rom og hvilke gasser skal vi teste for?
e) Hva er inertgass?
f) Hva er oksygen kravet til inertgass, for produksjon og i tanken?
g) Under hvilke operasjoner skal vi inerte?
h) Hva er vapour balancing?
i) Hvordan er lastetankene sikret mot «Cargo tank protection against over/under pressure?
j) Hva menes med vapour recovery systems?
k) Hva er volatile organic compound recovery systems?
l) Hvordan skal "starting to load alongside a terminal» foregå?
m) Hva bør sjekkes under en «periodic checks during loading»?
n) Hvordan skal vi sluttlaste «topping-off on board the tanker»?
o) Hvorfor skal en planlegge lasting/lossing «loading and dicharging planning»?
p) Hvordan skal tankvasking «tank washing» foregå i en inertet atmosfære?
q) Hva skal en gjøre dersom en får lekkasje av olje inn i dobbeltbunnen «cargo leaks into double hull tank»?
r) Hvilke tiltak må man iverksette ved STS «transfers between ships»?
s) Hva menes med «sloshing»?
Oppgave 3. Spørsmål fra del 3 Marine Terminal Information
a) Hva skal «Terminal Information Booklet» inneholde?
b) Hva er «Pigging» og hvordan blir dette gjennomført?
c) Dersom en trykker på ESD «Emergency Shutdown Systems» hva vil hende?
Spørsmål fra Del 4 Ship/Shore/Tanker/Terminal Interface
Denne delen vil bli gjennomgått i punkt 10.1, del 4 av ISGOTT tar for seg emner som communication, mooring and berthing, tanker and terminal precautions for cargo operations, bunkering operations og the ship/shore safety checklist.
Clean Sea Guide for Oil Tankers
Boken er laget for å hjelpe mannskapet til å følg regelverket i MARPOL Annex 1.
Den tar for seg punkter som, men ikke begrenset til, line draining, tank washing, settling, slop tank discharg, disposal of slop residues, crud oil washing, ODM, oil/water interface detectors og annex 1 (MARPOL).
Oppgave 4. Kontroll spørsmål angående clean sea guide for oil tanker og annex 1. MARPOL
a) Hvilke krav skal være oppfylte for å kunne kjøre olje/oljeholdig vann på sjøen fra et tankskip (oljen stammer fra lasten)?
b) Hva er definisjonen på segregated ballast/clean ballast?
c) Hvilke krav skal være oppfylte for å kunne kjøre olje/oljeholdig vann på sjøen fra et tankskip (oljen stammer fra maskinrommet/bilge)?
d) Hvordan skal linen dreneres etter lossing?
e) Hvordan skal lossing av olje holdig spylevann til sjøen gjennomføres (slop tank discharg)?
f) Hva er hensikten med crude oil washing?
g) Hva er definisjonen på et special areas?
h) Hva gjør en ODM?
i) Hvilke skip skal ha en ODM?
5.5.3 Ved hjelp av aktuelle veiledninger og regler, relevante sjekklister, beskrive godkjente prosedyrer for: Forberedelse før ankomst terminal, lasting og lossing av olje, kontrollrutiner underveis med oljelast, rengjøring og gassfriing og ballasting og de-ballasting.
Dette punktet har blir gjennomgått i 5.5.2 og simulator oppgaven under punkt 12.
5.5.4 Kjennskap til «Load-On-Top»-metoden
Bruk kapittel 15, Transport av olje fra boken Lasteberegninger og behandling av last.
Oppgave 1
a) Forklar prinsippet med load on top?
b) Hvorfor skal vi utføre load on top?
5.6 Fullstendig lasteoppgave
5.6.1 Planlegge en fullstendig lasteoperasjon for plansjeskipet med oppgitte oljedata og bruk av ASTM – tabellene.
Oppgave 1
M/T Millennium er på reise til Valdez, Alaska (Stillehavet) i ballast og skal laste for Japan. Ved ankomst i desember vil ballastkondisjonen tilsvare «Light ballast condition no. 16» og skipet har mottatt ordre om å bunkre opp for en rundtur Alaska – Japan – Alaska som beregnes å ta 24 døgn pluss tid i lossehavn.
Ved lastekai i Valdez er sjøvanns tetthet 1,025 t/m³ og man skal laste olje som har opplyst Specific gravity til 0,8300 kg/l ved 25°C, som også er innlastingstemperatur.
Skipet skal laste mest mulig og på de tanker som eventuelt blir fulle skal det beregnes 2% sikkerhetsmargin.
a) Hvor mange tonn bunkers vil du bestille for levering ved ankomst Valdes?
(Svar: 2472 tonn)b) Hvor mange tonn olje kan skipet laste når ønsket er å ankomme Japan med 20 meter dypgående even keel?
(Svar: 264788 tonn)c) Lag lasteplan som viser alle lastetankene om bord på skipet og fyll inn ullasje og tonn på hver tank som blir brukt under lasting i Valdes.
Oppgave 2
M/T Millennium ligger i Penington, Nigeria og laster for Bullen Bay, Curacao. Det er sjøvann med tetthet på 1,025 t/m³ ved lastekai og oljens tetthet er opplyst til SG = 0,8551 t/m³ ved 27°C. Disse temperaturene ønsker man å beholde frem til lossehavn.
Skipets beholdninger og fordelingen av last er lik Condition no. 3 «Longe voyage 67% load condition» Det er lagt inn 2% sikkerhetsmargin på de lastetanker som er brukt under lastingen.
Etter skipet var ferdig lastet ble dypgående avlest til df 14,905 m d¤ 16,528 m da 18,009 m.
a) Finn skipets deplasement ved avgang.
(Svar: 249 512 tonn)b) Beregne hvor mange tonn olje skipet har om bord ved avgang.
(Svar: 19 8769 tonn)c) Lag lasteplan «loading condition» og beregne målt ullasje og antall tonn på tankene C.O.T 3 C og C.O.T 4 C. (Ullage: 1.212 m vekt 20313 tonn)
Etter avgang fra lastehavn i Nigeria hadde det lekket olje fra C.O.T 3 C til C.O.T 2 C og ullasje på C.O.T 3 C ble målt til 4,38 m. Se bort fra trimforandring som følge av forbruket.
d) Hvor mange tonn olje har lekket over i C.O.T 2 C?
(Svar: 2080,4 tonn)e) Hva kan være årsaken til lekkasjen?
Oppgave 3
M/T Millennium ankommer en havn hvor det er behov for lektring før man kan gå inn til kai for lossing. Før lektring ble dypgående avlest til df 21,46 m d¤ 22,72 m da 23,89 m.
Man skal losse slik at skipet kan gå til kai med skala dypgående 19,00 meter og 1,50 meter akterlig trim. Det losses 15 000 tonn fra hvert av C.O.T 2C, 3C og 4C. Restlasten losses fra C.O.T 1C og 5C
a) Hvor mange tonn må skipet losse før det kan gå til kai?
(Svar: 62424 tonn)b) Hvor mange tonn må skipet losse fra sentertanken 1 og 5 for å oppnå ønsket trim?
(Svar: C.O.T 1 C 285 tonn, C.O.T 5 C 17139 tonn)c) Beregn skipets dypgående avlest etter at man er ferdig med lektring.
(Svar: df 18.283 m d¤ 19.025 m da 19.700 m)
Oppgave 4
M/T Millennium ankommer en lossehavn hvor sjøvannets tetthet er målt til 1,008 t/m³ og dypgående blir avlest til df 19,50 m d¤ 21,10 m da 22,50 m.
Lasten består av olje med tetthet 0,870 t/m³ ved 15°C.
a) Beregn skipets deplasement.
(Svar: ∆ 320969 tonn)b) Ullasje på C.O.T 1 C er avlest til 1,02 m og C.O.T 5 C til 2,50 m. Hvor mange tonn olje var det på hver av disse tankene når temperaturene ble målt til 26°C?
(Svar: C.O.T 1 C 19097.6 t & C.O.T 5 C 25590,0 t)
Oppgave 5
Du leser av følgende dypgående ved kai
-
Tf 18.50 m Ta 19.50 m T¤18.97 m.
-
M/T Millennium skal last til sommer deplasementet 348 030 tonn uten trim "even keel".
- Restlast skal lastes på C.O.T 1 C, C.O.T 3 C & C.O.T 5 C.
- C.O.T 3 C skal lastes til 98%.
- Oljens densitet 0.892 t/m³ ved 20°C.
- Maks temp for reisen er 26°C.
a) Hvor mye kan vi laste?
(Svar: 56636 tonn)b) Hvor mange tonn er det på hver tank ved avgang?
(Svar: C.O.T 3 C 21101,57 t, C.O.T 1C 14535 t & C.O.T 5C 20999.4 t)c) Hva er volumet og ullasje i hver tank ved avgang, dersom temperaturen er 26°C?
(Svar: C.O.T 1C – 8.78 m/C.O.T 5 C – 8.04 m)
Oppgave 6
M/T Millennium er underveis til lossehavn i Nord Frankrike og er bereknet å ankomme med avlest dypgående på følgende:
- Tf 18.55 m T¤ 18.16 m Ta 17,95 m. Vanligvis kan en gå direkte til kai, men på grunn av arbeidet i havnen får vi en ordre om å lektre til dypgående 17.70 meter i vann med tetthet 1,005 t/m³.
- Lektringen skal foregå på åpent red, oppankring.
- Olje data for lasten en har om bord er densiteten 0,892 t/m³ ved 20°C.
En vurdere å losse fra C.O.T 2 C og C.O.T 5 C. Målt ullasje i C.O.T 2 C viser 1,64 m og C.O.T 5 C viser 1,58 m. Temperaturen i begge tankene måler 26°C.
a) Hvor stor lektringskapasitet må bestilles?
(Svar: 13565,6 t)b) Hvor mange tonn skal losses fra hver tank (se bort i fra skrogbøying etter lektring)?
(Svar: C.O.T 2 C 9412,6 t & C.O.T 5C 4153 t)c) Hva blir ullasje i C.O.T 2C når du kommer til kai?
(Svar: 14,43 m)d) Hvilke fire hoveddeler er ISGOTT del opp i?
5.6.2 Ta hensyn til oljens utvidelse, aktuell lastelinje, forbruk til lossehavn og ønsket trim ved avgang.
Oppgave 1
Skipet M/T Millennium ligger ved Mongstad terminalen den 14. desember. I det man nærmer seg sluttlasting avleses dypgående for å bringe klarhet i hvor mye som gjenstår før skipet er lastet til kapasitet.
-
Tf 20.12 m Ta 20.18 m T¤STB 20.18 m T¤BB 20.06 m.
Restkvantum utregnes og man bestemmer seg for følgende fordeling av restlasten. -
75% lastes i C.O.T 3 P/S
- 25% lastes i C.O.T 5 C
- Man regner med å ligge uten list etter ferdig lastet.
a) Hva er skipets avleste dypgående etter lasting?
(Svar: Tf 22.11 m T¤ 22.37 m Ta 22.60 m)b) C.O.T 3 P/S & C.O.T 5 C var tomme før restlasten var lastet, hva er vekten etter lasting?
(Svar: C.O.T 3 P/S 21975 tonn & C.O.T 5 c 7325 tonn)
Oppgave 2
M/T Millennium ankommer Gebig Terminal, Brasil (S 23° 03' W 044° 13') i normal ballast condition no 18, og skal laste maksimalt ut ifra gjeldende begrensninger, for Saldanha Bay, Sør-Afrika (S 33° 02' E 017° 58').
- Maks dypgang i Gebig er 25.00 m i saltvann = 1.025 t/m3, mens maks dypgang ved ankomst Saldanha Bay er 20.50 m i saltvann = 1.025 t/m3.
- Skipet skal laste Crude Oil med spesifikk tetthet (SG) ved 24,75°C = 0,8790 kg/l.
- Vi regner ikke med noen temperaturendring på råolja underveis.
- Alle fulle tanker skal ha en sikkerhetsmargin på 2%.
Skipet ankommer Gebig i Normal Ballast Cond. No 18. Skipet skal bunkre for lastereisen Gebig – Saldanha Bay, og den videre ballastreisen fra Saldanha Bay til Kharg Island (Iran). Det blir også tatt om bord 9 tonn proviant i Gebig.
Produksjon av ferskvann (FW) er lik forbruk og annet forbruk enn Heavy Fuel Oil (HFO) på reisen sees bort fra, da dette er minimalt. Ifølge Charter Party er forbruket satt til 82 t/d tilsvarende 14,9 knop på lastereisen. Samme forbruk er avtalt på ballastreisen.
Distanser fra Gebig Terminal, Brazil:
Til Saldanha Bay.................. 3332 n.mil
Til Kharg Island.....................8441 n.mil
I forbindelse med sluttlasting/topping av tanker, er følgende tanker lastet til 98%:
Sentertanker (COT c) no 1,2,3,4 og 5 med langskipsmoment fra App = 19053658 tm og 109278 tonn. Wingtanker (COT P/S) 1,3,5 og slop med langskipsmoment fra App = 20151244 tm og 113980.2 tonn.
I forbindelse med lossingen i Saldanha Bay, ble det foretatt Crude Oil Washing i henhold til gjeldende regelverk fra IMO.
Etter lasting ble det registrert at skipet sagger 21 cm, og saggen forblir uforandret i løpet av reisen.
Avgang fra Gebig Terminal er satt til 12. april 2021 kl 0900 UTC.
a) Hva blir ledig D.W for lasting?
(Svar: 50106,5 t)b) Hva blir avgangsdypgående Gebig?
(Svar: df 20,286 m, d¤20,618 m, da 20,519 m)c) Vis lastekondisjonen ved avgang Gebig Terminal, Brazil. NB! Ullage/vekt beregnes kun på de tanker som er brukt til restlasting/topping av tankene!
Oppgave 3
M/T Millennium er ferdig lastet ved Bima Marine Terminal, Jawa, Indonesia. Ved avgang hadde man om bord beholdninger i henhold til «COND. NO. 19», se i plansjen. Alle beholdningene samlet, 9746 tonn, utgjorde et moment langskips på 379295 tonn-meter regnet fra aktre perpendikulær.
Oljelasten bestod av 297435 tonn «Indonesian Heavy Crude Oil» som ved innlasting hadde en temperatur på 26,5°C. Densitet 0,8995 t/m³ ved 26,5°C. Alle lastetanker, inkludert slop-tankene, var lastet til 98% med unntak av sentertank nr 3 som var slakk.
Sjøreisen fra lasteterminalen til lektringsplassen ble kalkulert til 23,3 døgn med 14 knops fart og forbruk 66 tonn HFO pr døgn. Annet forbruk var uvesentlig, og man kan se bort fra dette.
Da skipet ankom lektringsplassen var lastetemperaturen falt til 25°C. Overstyrmann skal sammen med en surveyor gå over alle lastetanker for å kontrollere avlest ullasje og lastekvantum som skal fylles inn på vedlagt lasteplan før man starter lossing.
Skipet har fått informasjon om å losse til en dypgående på 18,00 meter (even keel) i brakvann1,010 t/m³. Det har i den senere tid vært stor vannføring i Los Angeles River som har medført restriksjoner langs berth 120/121 i Long Beach. Forbruket fra lektringsposisjon og inn til Long Beach er uvesentlig og man kan se bort ifra dette.
a) Foreta nødvendige beregninger og fyll ut all data som skal inn på «Loading Condition» ved ankomst lektringsplass før man starter lossing.
b) Beregne hvor mye som skal losses fra de respektive tanker for at skipet skal kunne ankomme Longe Beach med dypgang 18,00 meter i brakkvann 1,010 t/m³.
(Svar: C.O.T 3P/S 39594,4 t, C.O.T 5 P/S 27655,5 t, C.O.T 1 P/S 8260,5 t)
Oppgave 4
Du ligger i Kuwait og skal laste til sommerdeplasement.
Pluss forbruk fra tropesone til sommer.
Distanser
Distanse til sommersone er 3680 n.mil.
Distanse til Houston 12 624 n.mil
Skipet er chatet for normal Power.
Du skal laste resterende tanker som er tomme, se vedlegg. Lastingen er stoppet.
M/T Millennium skal være uten trim ved avgang.
Oljens densitet ved 20°C er 0.8020 t/m³, temperatur ved avgang på oljen er 27°C.
a) Hvor mye D.W har vi til lasting?
(Svar: 11730,5 tonn)b) Hva er dypgående avgang Kuwait?
(Svar: 22.31 m)c) Hva er dypgående ankomst Houston?
(Svar: df 22,761 m, d¤ 22,196 m, da 21,682 m)

5.6.3 Beregne fordeling av last og bunkers, ullage i tanker, trim og dypgang ved avgang lastehavn og ankomst lossehavn.
Dette har vært gjennomgått i punkt 5.6.2.
5.6.4 Kunne løse oppgaven både ved egen regning ved bruk av kalkulator og ved bruk av lasteprogram for plansjeskipet.
Ved bruk av kalkulator har vært gjennomgått i tidligere punkter i oppgavesamlingen, med bruk av lasteprogram skal gjennomgås i punkt 5.6.5.
5.6.5 Kontrollere at belastninger på skroget er innenfor akseptabelt grenseverdier ved hjelp av lasteinstrument, dataprogram eller diagram for godkjent kondisjon.
Oppgave 1. Last M/S Sidus ved bruk av Consultas
M/S Sidus ankommer Rotterdam i ballast i desember og har beholdninger lik «List of stores 10% - Arrival Condition». Og har inne 98% ballast på samtlige ballasttanker utenom WB Aftpeak (akterpeak) som er tom.
a) Sett inn kondisjonen som beskrevet i oppgaven. Drøft stabiliteten, SF, BM og dypgående.
Det skal laste fullt for sonen i henholdt til årstiden, lasten en skal lasten er bales og stuer 1,2 m³/t. Lasten skal losses i Houston, USA. Ved avgang skal M/S Sidus ha beholdninger lik «List of stores 100% - Departure Condition».
b) Last skipet og beskriv hvordan du vil gjøre prosessen, drøft stabiliteten, SF, BM og dypgående
Distansen fra Rotterdam til Houston er 5052 n.mil.
c) Hvordan blir ankomstkondisjonen til M/S Sidus ved ankomst Houston?
d) Fyll inn Loading/unloading plan for denne oppgaven.
Oppgave 2. Last M/S Sidus ved bruk av Consultas
M/S Sidus ankommer sør for Rotterdam i desember, Terminal Dordrecht der det skal lastet til 9.20 even keel, ved terminalen er vannets egenvekt 1,005 t/m³. Lasten er skrapmetall, egenvekten er 0,5 m³/t. Lasten skal losses i Istanbul, Tyrkia. Distansen Rotterdam til Istanbul er 3161 n.mil.
Du skal ha nok bunkers for reisen pluss 20%, de andre beholdningene er lik 100% dep. Condition. Du har inne stores 50 tonn forut og 50 tonn akterut. Det er anbefalt med blokklasting, grunnet egenvekten på lasten.
a) Last skipet og beskriv hvordan du vil gjøre prosessen, drøft stabiliteten, SF, BM og dypgående.
b) Fyll inn en Loading/unloading plan.


Oppgave 3. Last M/T Millennium ved bruk av Consultas
M/T Millennium ankommer Muscat, Oman i november (Pos: N 25°00' E 57°30') med en kondisjon tilsvarende Cond. No. 16 Light ballast con. (ARR) og skal laste fullt skip med Arabian crude oil, densitet 0.8020 t/m³ ved 20°C, lasten vil bli lastet med en temperatur på 27°C.
Lasten skal losses i Rotterdam, seilasen går via Sør-Afrika (Cape of Good Hope),
Distanse: 10 627 n.mil. Det ventes at temperaturen på lasten vil være 22°C ved ankomst Rotterdam. Det skal bunkres for reisen, den en har om bord i kondisjonen er reserve.
a) Last M/T Millennium, ta hensyn til og drøft stabiliteten, SF, BM og dypgående ved lasting mens en losser ballasten.
b) Hva vil trimmen være ved ankomst Rotterdam?
Oppgave 4. Laste M/T Millennium ved bruk av Consultas
M/T Millennium ankommer den Yanbu (Rødehavet) med kondisjon lik «COND.NO. 19 Heavy Ballast Cond. (Dep)» og skal laste fullt skip for reise til Houston. ETD er satt til 3. september. Seilasen går rundt Sør-Afrika.
Distanse:
Yanbu til E°45 = 834 n.mil.
Yanbu til S°20 = 3270 n.mil.
Total distanse Yanbu – Houston 12280 n.mil.
Du skal ankomme Houston «even keel».
a) Bruk Consultas og legg skipet even keel i Houston, ta høyde for sonelasting.
b) Lag en Loading plan der du deler lastingen opp i 4 sekvenser, hvilken last skal inn og hvilken ballast skal ut. Du kan bruke Loading/Unlading plan som en referanse.
c) SF og BM skal diskuteres for hver sekvens.
Oppgave 5. Laste MS Sidus ved bruk av Consultas
M/S Sidus ligger i Richards Bay og laster Coal (kull), skipet er inne i sluttlastingen, vi har om bord beholdninger tilsvarende «List of storres 100% - Departure Condition».
Følgende lastfordeling er beregnet før en laster de to resterende rommene:

- Du skal bruke rom 1 og 9 til trimming.
- Etter Richards Bay skal det lastes konteinere i Durban.
- I Durban skal det totalt lastes 80 TEU konteinere i BAY 21 og 23 på dekk. Gjennomsnitt vekten per konteiner er 14 tonn.
- Beregnet avgang Richards Bay er satt til 19. oktober.
- Egenvekten for kull (Coal) er målt til: SF 0,84 m³/t.
- Fart er beregnet til Service speed og bunkersen tas fra 21 PS/SB.
Distanser:
Richards Bay (Sør-Afrika) – Durban (Sør-Afrika): 252 n.mil.
Durban – Tropesone: 1490 n.mil.
Durban - N 30°: 5565 n.mil.
Durban - Winter sone: 6112 n.mil.
Durban – Rotterdam (Nederland): 6944 n.mil.
M/S Sidus skal ligge uten trim «even keel» ved avgang Ricards Bay.
a) Hva er maks deplasement ved avgang Richards Bay?
b) Hva blir ledig D.W. før lasting av kull i Richards Bay
c) Hva blir lastfordelingen i Richards Bay for å være even keel ved avgang?
d) Etter en har lastet konteinerne i Durban, hva blir avlest dypgående ved avgang?
Noen dager før ankomst Rotterdam, kommer det E-post fra agenten som lurer på følgende:
Har dere mulighet å ta inn ballast eller transfere bunkeres for å ankomme kaien mest mulig even keel. Densiteten ved lossekaien for konteinerne er målt til 1,010 t/m³. Kaien for lossing av kull er ikke ledig før om 4 dager.
e) Finn dypgående ved første losse kai.
5.7 Kjemikalietankere
Oppgave 1. Se K 12, kapittel 8. Og svar på følgene spørsmål
a) Hva frakter en kjemikalietanker?
b) Kjemikalietanker er delt opp i 3 kategorier, hva innebærer disse 3 kategoriene?
c) De fleste kjemikalietanker er av type 2, hvor store kan tankene være på en type 2 kjemikalietanker?
d) Hvor høy må dobbeltbunnen være på en type 2 tank?
e) Hvor stor må dobbeltskinnen (mellomrommet mellom lastetanken og skipets hud) være på en type 2 kjemikalietanker?
5.7.1 Generell informasjon
Oppgave 1. Se K 22, Modul 1, 1.2 tanklasting
a) Hva er definisjonen på et kjemikalietankskip.
b) Hvilke regelverk gjelder for transport av kjemikalier?
c) Det er 4 hovedgrupper kjemikalier, hva er disse?
d) Kjemikalier er et annex 2 produkt i MARPOL, disse er delt inn i 4 grupper, hva heter disse gruppene? Hvilken av disse er farliges for miljøet?
5.7.2 Laste/losse operasjoner
Oppgave 1. Se K 22, Modul 1, 1.2 tanklasting
a) Hva skal en ta hensyn til når en planlegger lasting av en kjemikalietanker?
b) I hvilken bok skal alle operasjoner som involvert annex II laster loggføres?
c) Hvor skal alle operasjoner med laster som har annex I laster loggføres?
d) Hvilken sjekkliste skal brukes når du laster/losser kjemikalier til terminal? Og hvor finner vi denne sjekklisten?
e) Hvorfor er det så viktig å sjekke at kjemikaliene går opp mot tank «coatingen» før lasting?
5.7.3 Tankrengjøring og kontroll av kjemikalietanker iht Marpol
Anbefalt at dere går gjennom punkt 5.7.5 før dere begynner med tankrengjøring.
Noen tips til tankspyling:
Smeltepunkt: (melting point)
Smeltepunkt til lasten gir en god pekepinn på temperaturen en bør spyle tanken med, hold deg alltid en del grader over smeltepunkts temperaturen til siste last, da løsner lasterestene fortere fra tanken.
Oppløsing i vann (solubility):
Dette punktet gir deg indikasjon på om lasten løser seg opp i vann. Den indiker om den blander seg lett med vann eller bare litt eller ikke i det heletatt. Noen ganger står det hvilke kjemikalier lasten blander seg med. Dette kan du bruke når du skal planlegge sirkulasjon spyling av tanken. Noen tanker blir ikke reine av vann, så her må det sirkulere kjemikalier gjennom spylemaskinen/pumpen for å løse opp lastrestene i tanken som har satt seg fast.
Viskositet:
Desto høyer viskositet på lasten, desto verre er det å rengjøre. Her gjelder det å få spylt ned tanken med en gang de er utlosset og inspisert av suveyor. Dersom du ikke får tid til videre spyling, slå ned tanken med vann, gjennom spylekanonene og sett på varme «heating» av tanken dersom mulig, dette vil forhindre at lasten setter seg fast.
Ikke bland
PS: bland aldri slopp (spylevann) fra laster som ikke er kompatible med hverandre.
Spyl kjapt
En gylden regel når det kommer til tankvasking er at desto kortere tid det er mellom tanken var losset til spylingen begynner, desto lettere er det å spyle tanken. Gammel dritt sitter mer fast enn ny dritt.
Dersom lasten du skal spyle rent etter er merket med en av koden nedenfor (16.2.6, 16.2.7 eller 16.2.9), skal de kontrollers opp mot regelverket i MARPOL og spyles deretter.
Forvask, vaskes tanken etter skipet er losset, der det meste av lasteresten som er i tanken blir levert i land med spylevannet (mottakeranlegg ved lossehavn). Mengde spylevann, samt temperatur på vannet, avgjøres i henholdt til regelverket, samt P & I – Manualen til skipet (dette kommer an på smeltepunktet i tillegg til viskositeten til lasten og størrelse på tanken og antall spyle-maskiner). Eventuelt videre spyling/vann som slippes inn på tanken gjelder vanlige utslippskrav for kjemikalier, i henholdt til MARPOL kart og reglene i MARPOL.
Mange velger å varme opp lasten for å minske viskositeten og komme over kravet på 5/10°C over smeltepunktet for å unngå forvask. PS: Terminalen/havnen kan ikke forlange at dette skal gjøres, de er pliktet til å ta imot sloppen dersom de har mottatt en last som krever forvask «pre-wash».
16.2.6 Lastens viskositet ved 20° C skal spesifiseres på et forsendelsesdokument, og hvis lastens viskositet overstiger 50 mPas ved 20° C, skal temperaturen der lasten har en viskositet på 50 mPas spesifiseres i forsendelsesdokumentet.
16.2.7 Lasten underlagt forvaskkravene i regel regel 13.7.1.4 i vedlegg II av MARPOL. Og regelen sier følgene: for kategori Y-stoffer som er flytende med en viskositet lik eller større enn 50 mPas ved 20°C med smeltepunkt lik eller større en 0°C. Laster merket 16.2.7 i kolonne O, gjelder forvask i følgende geografiske områder Nordsjøen, Irskesjøen, Keltiske hav, engelske kanal, Nordøst Atlanteren, vest for Irland, samt Østersjøområdet, det vesteuropeiske farvannet og Norskehavet. For mer detaljerte beskrivelse av grensene, se MARPOL.
16.2.9 Lastens smeltepunkt skal angis i forsendelsesdokumentet. Se flow diagram for Y-produkts.

Oppgaver 1
a) Du har laste følgende stoff Cashew nut shell oil (untreated) i shipping dokumentet står det følgende 50 mPas at 24°C, melting point 12°C. Skal denne lasten forvaskes? Hint: først finn forurensningskategori.
b) Skal følgende last forvaskes etter lossing Chlorinated paraffins (C10-C13)?
c) Skal følgende last kontrolleres for om forvask er nødvendig Cresols (all isomers), lasten har et smeltepunkt på 17°C i henholdt til shipping dokumentet. Og temperaturen før lossing er 25°C.
d) Følgende last skal losses Fatty acids, (C8-C10), du skal kontrollers om det er nødvendig med forvask før avgang Rotterdam. Ifølge shipping dokumentet har lasten et smeltepunkt på 8°C og en viskositet på 50 mPas ved 14°C. Tankradaren viste at temperaturen i tanken var på 21°C før lossing.
e) Følgende last Groundnut oil, har blitt losset i Rotterdam og har følgende koder i kolonne O i IBC-koden: 15.19.6, 16.2.6, 16.2.7, 16.2.9, det er ikke problemer med verken smeltepunktet eller viskositeten. Må lasten ha forvask?
f) Dersom lasten ikke er merket med 16.2.6, 16.2.7 og 16.2.9 og vi er på seilas fra Houston – Rotterdam, hva er reglene for spyling over bord?
g) Dersom du har losset en annex 1 laster, noe som er normalt på en kjemikalietanker (kjemikalietankere kan frakte raffinerte annex 1 produkter), hva er kravet til spyling, slopp og lensing over bord?
5.7.4 Rør og pumpesystemer
Kjemikalietanker bruke stort sett sentrifugaltpumper som er av type «deepweel» pumper, se K 12, kapittel 8 tanklasting, lossepumper tankskip.
Det er en dedikert line per tank, linene kan kobles sammen på manifolden.
5.7.5 IBC-Code
Her kan vi begynne med å ta for oss Kapittel 17 i IBC koden «Summary of minimum requirements»
Her skal vi ha en kort innføring i det forskjellige bokstavkodene:
Bokstavkodene
a – Produkt navn, dette skal brukes i shipping dokumentet.
c – Her finner du forurensnings kategorien, som er forankret i MARPOL Annex II.
d – Stoffene er enten tatt med i koden grunnet «S – Safety hazards», «P – Pollution hazards eller «S/P – Safety and Pollution hazards» alle stoffene i kapittel 17 er i dette kapittelet grunnet safety eller polution hazards.
e – Skips type, her er kravene til hvilke type skip stoffene kan lastes på, dersom stoffet er merket med 3, kan de lastes på alle typer kjemikalieskip, dersom de er merket 2, kan de lastes på skips type 1 og 2, dersom stoffet er merket 1, kan stoffet kun lastes på type 1 skip.
f – Type tank du kan laste lasten på. 1: independent tank (er en tank som ikke er en del av skipets skrog, eks en dekkstank). Se bilde K 12, kapittel 8 Stolt Capability, dette er de seks tankene du ser på dekket. 2: Integral tank betyr tanker som er integrert i skroget. G: Gravity tank betyr en tank som har et trykk som ikke er over 0,07 MPa i toppen av tanken. P: betyr at tanken er designet til et trykk over 0,07 MPa. I kolonne f er det minimumskravet, så dersom den er merket 2G kan du ha de lasten på independent tank og integral tank. Dersom lasten er merket 1G betyr det at lasten må være på independent tank.
g – Tank venting, Cont: controlled venting som ut P/V ventil eller vapour return. Open: Venting betyr at du kan sleppe overtrykket rett ut i atmosfæren. Dersom du ser på kolonne K, er den merket med T eller F (F/T) skal de mer og mindre alltid være controlled venting. F – flammable vapour og T er Toxic vapours.
h – Tank enviromental control her har du forskjellige koder, Inert: inerting, pad: liquid og gas padding, Dry: drying, vent: natural or forced ventilation og No: no special requirements under this code.
Dersom lasten er merket Pad + inert, skal du inerte tanken før lasting samt legge på ett overtrykk med inert etter lasting. Her er det ofte krav fra charteren som setter standarden. Og de er alltid lik eller strengere enn de du finner i IBC-koden.
i' – Temperature classes T1 – T6 – se kapittel 21, punkt 21.4.9.1 i IBC-koden.
i'' – Apparatus group (IIA, IIB og IIc) - se kapittel 21, punkt 21.4.9.1 i IBC-koden.
i''' – Flashpoint Yes: flashpoint exceeding 60°C, No: flashpoint not exceeding 60°C, NF: non- flammable product.
j – Gauging, O: open gauging, R: restricted gauging, C: closed gauging. Open gauging kan skje gjennom ullasje åpningen, der gassen eller lasten ikke er farlig, merket O i koden. Restricted gauging kan skje gjennom luke der lite gass, men ingen last eksponere den som tar ullasjen eller lasten blir lite utsatt for atmosfæren utenfor tanken. Closed gauging – her skal ikke noe last slippe ut, et eksempel på closed gauging finner du i k 12, kapittel 8 (Hermetic UTI).
k – Vapour detection, der T betyr giftig (toxic), F betyr brennbar (flamable) og No betyr at den verken er brennbar eller giftig.
l – brannvern, dersom koden er merket med følgende bokstaver, betyr det følgende:
- A: Alkoholbestandig skum eller flerbruksskum skal brukes til slukking.
- B: Vanlig skum; omfatter alle skum som ikke er av alkoholresistent type, inkludert fluorprotein og vandig filmdannende skum (AFFF). AFFF er et vannbasert filmdannende brannslukningsskum (Aqueous Film Forming Foam).
- C: Vannspray (sprinkler).
- D: Tørr kjemikalie (pulver apparat).
- Nei: ingen spesielle krav i henhold til disse retningslinjene for brannslokking.
n – Dersom lasten er merket Yes, skal du ha sikkerhetsutstyr i henholdt til 14.1 (verneutstyr) eller 14.2 (Sikkerhetsutstyr) i IBC-koden. Er den merket NO, er det som regel kun krav til verneutstyr.
o – Operasjonelle krav og spesifikasjoner finner vi i kolonne O. Dersom lasten er merket med følgende koder 15.19.6 og 16.2.9 skal disse sjekkes i IBC-koden, et eksempel kan være pre-wash (forvask) for lasten.
Eksempel:
15.19.6 - Lastetanker skal være utstyrt med en visuell og hørbar høynivåalarm som er i samsvar og indikerer når væskenivået i lastetanken nærmer seg fullt. Dette i kaller «High level alarm». Disse går normalt på 95 og 98% fylling i tanken.
16.2.9 - Lastens smeltepunkt angis i forsendelsesdokumentet. Dette kommer vi nærmere inn på under tank spyling for kjemikalietanker.

Utdrag fra IBC code, chapter 17 (Summary of minimum requirement)
Oppgave 1
Tolk kodene for følgende last Chloracetic acid (80% or less).
Oppgave 2
Slå opp i IBC koden kapittel 17 og tolk følgende last: Chlorinated paraffins (C10 – C13).
Oppgave 3
a) Dersom en last var merket T og F i kolonne K, hva ville det fortelle oss?
b) Dersom lasten er merket Cont i kolonne g, hva betyr dette?
c) Hva forteller kodene X, Y og Z oss i kolonne c?
5.7.6 Segregering av kjemikalielaster (USCG)
Til segregering av kjemikalier om bord i en kjemikalietanker brukes USCG kompatibilitets kart. Dette er for å segregere for stoffer som vil reagere mot hverandre. Vi segregere også for varme, dette skal vi se litt nærmere på seinere. Se vedlagt utklipp av USCG kompatibilitets kart, for et fullstendig kompatibilitetskart Se K 22, Modul 1, 1.2 tanklasting. Det å laste fullt skip med masse forskjellige kjemikalier blir litt for avansert med tanke på tidsbruken vi skal bruke på dette emne. Men vi vil laste 12 tanker, med litt forskjellige kjemikalier.

HMD (USCG 7) var lastet først, etter dette ble Acetic Anhydrider (USCG 11) lastet på alle tanker som er lov, grunnet at de ikke er kompatible i henholdt til kompatibilitets kartet. Dersom en sjekker krysningspunktet mellom nummer 7 og 11 får vi et kryss som betyr at de ikke er kompatible. Som du ser på bilde under kan du laste den ene lasten i 3WP og den andre i 4CP eller du an bruke kofferdam som buffer. Ellers er regelen en lastetank imellom.
PS: Har ikke tatt høyde for adjesent temperaturer ved denne stuasjen (nærliggende temperaturer).

Vi skal videre laste Styrene Monomer (USCG 30) som er kompatibel med HMD (USCG 7) og Acetic Anhydrid (USCG 11), se kompatibilitets kartet.


Segregering, når vi skal ta høyde for kompatibilitet og temperatur
Front page:

På grunn av HMD 98% sin temperatur ved transport og lossing må vi har to tanker uten last. Den første temperaturen som står under Heat er transport temperatur, den andre temperaturen er lossetemperatur.
Adskillelse med kofferdam har stor variasjon på temperaturen mellom 3CP og 3CS, en gylden regel er at kofferdammen redusere temperaturen med 5°C til 10°C. Men dersom det er mulig å sette på ventilasjon i kofferdammen, vil denne sørge for at luften blir byttet ut. Det vil gi liten eller ingen merkbar endring av temperaturen mellom 3CP og 3CS, dersom luften byttes ut konstant.

Ofte etter ferdig lastet en kjemikalietanker er den en del ledig kubikkmeter (plass vi ikke har fått utnyttet), nå er det mange laster som kan ligge på 4WS og 4CP. Men en tank med laste varmes opp og vil transportere varmen videre, i dette tilfelle ville vi holdt HMD på 45°C og økt temperaturen rett før lossing til 55°C (ofte maks 3°C økning i døgnet). Da ville du risikert at Styrene Monomer på tankene 5ws og 5CP ville økt til 35° C, som er over maks tillate temperatur. Dersom vi ikke fikk losset Styrenene Monomer først, kunne den økt ytterligere da vi begynte å juster HMD temperaturen for lossing.
Dersom en ser på koden under «Options» er dette option på lasten. Der den er merket 5% MOLOO som betyr «More or less oners option», er det vi som bestemmer hvor mye vi vil ha med oss innen en 5% fra 1000 tonn. Da pusler vi utfra kubikken på tankene en må ha plass til mellom 950 – 1050 tonn. Som nevnt tidlige her en kjemikalietanker mellom 40 og 60 tanker, der alle varierer i størrelse fra rundt 100 m³ til 2999 m³ (type 2 tanker).
Oppgave 1
a) Hva betyr 2% MOLCO?
b) Hva betyr NOOPT?
c) Hvor store kan tankene være på en type 1 kjemikalietanker?
Når vi ser på frontpagen er last nummer tre (Styrene monomer) merket Yes på Inhib «Inhibitor».
Dette vil si at lasten er tilsatt en hemmer.
Ekstremt viktig
Her er det ekstremt viktig å få inhibitor (hemmer) sertifikatet om bord før du begynner å laste lasten.
Dette vil si at lasten kan begynne å reagere, dersom det ikke er hemmer i lasten.
Noen hemmere «inhibitorer» er oksygen avhengig, dersom den er det, må du vite hvor mye oksygen den trenger. Pass på dersom du skal inerte tanken, padde den eller legge på et blanket med nitrogen slik at det er nok oksygen igjen for inhibitoren. De fleste inhibitorer har en utløpsdato, pass på at denne ikke utløper før lasten skal losse.
Oppgave 2
Last skipet, ta høyde for USCG, AdjC temp og m³

Størrelsen på tanken ved 98% er 3X = 310 m³ (3X betyr 3 cross) alle 3 tankene.
- 4x er på 400 m³.
- 5x er på 290 m³.

5.8 Gasstankere
5.8.1 Generell informasjon
Bruk K 22, Funksjon 2 Planlegge og sikre trygg lasting, stuing, sikring og lossing av last og omsorgen for last under reisen.
a) Hvilke to typer deles gasstankskip inn i?
b) Hvilken kode gjelder for gasstank skip?
c) Hvilken temperatur fraktes gassene på?
d) Hvordan virker kjøleanlegget på en gasstanker?
e) Hva er forskjellen på en selvbærende tank og en integrert tank?
f) Hvorfor er det så viktig å isolere tankene på en gasstanker?
g) Hvilken type tanker er normalt å bruke til LNG frakt?
h) Hvilken type tanker er normalt å bruke til LPG frakt?
i) Hvorfor er det så viktig at nøytralgassen på en gasstanker ikke inneholder noe vann?
5.8.2 Laste/losse operasjoner
Lasteoperasjon LPG
Før lasting, verifiser lasteordre, mengde last, lastens temperatur ved lasting, lastens temperatur ved lossing, informasjon lastehavn/lossehavn, samt flensstørrelse på terminalene til laste-/vapour line/nitrogen osv.
En skal kalkulere fyllings nivåer i hver tank før lasting og etter beregningene er gjort kan lasteraten bestemmes. Lasteraten bestemmes av tre faktorer, lastens temperatur, ambiant temperaturen (temperatur på tanken) og om det skal brukes vapour return.
Før lasting skal tankene kjøles ned så mye som mulig, helst mindre enn 10°C over lastetemperaturen. Hvor lav du får temperaturen kommer an på hvor lang tid som brukes på kjøling og hvor mye last det er i tanken før nedkjølingen begynte (pleier å være litt last fra siste lasten igjen i tanken – av samme type gass som skal lastes).
Dersom en skal laste full kjølt propan, må vi prøve å få temperaturen som måles på utsiden av lastetanken vegger til under - 35°C før vi kan starte lastingen. Dersom en kan ta nedkjølingen før ankomst lastehavn kan en spare mye tid og penger.
Ved lasting er enten lasten pumpet om bord eller trykket om bord fra lastetanker i land. Dersom en laster med trykk fra land må tanktrykket om bord være lavere enn trykke på land. Denne type lasting er mest brukt på fulltrykkskip. Dersom en laster med pumpe følger en nøye med på trykket og holder det godt under sikkerhetsventilen sett point.
En del terminaler bruker nitrogen etter lastingen er ferdig for å tømme slange/lastearmen for last og blåser dette til skipet. Under denne operasjonen med tømming av lasteline må vi passe på at vi ikke får for mye nitrogen i tanken. Dersom de skal blåse til skipet, prøv kunne å blåse det inn på en lastetank. Dersom kondensat trykke i tanken blir for høyt, kan lastekompressoren stoppe og en kan få en ukontrollert utblåsning.
Før lasting
Før lastingen kan starte må det fyllest ut sjekklister, lasteplan og laste/cargo log.
Planen for lasting skal diskuteres og aksepteres av skipes lasteoffiser, loadingmaster og sikkerhetsoffiser. Loadingmasteren og sikkerhetsoffiseren kommer fra land.
Før lastingen starter skal de faste gassmålerne kalibreres til den rette lasten. Og en skal starte med en lav lasterate for å sjekke om det er lekkasjer. Etter det er sjekket for lekkasje kan en øke lasteraten sakte til maks rate, pass nøye på tanktrykket.
Lasting uten vapour return
Lasting uten vapour return er det bare lastelinen koblet opp mot land, en del terminaler forlanger at vapour line skal være koblet opp, dette er for sikkerhetsgrunner dersom trykket skal bli for høyt under lasting (vapour linen går direkte til fakkel).
For å kontrollere trykket når det lastes uten vapour return brukes «cargo cooling plant» til å kjøle ned gasser som har gått fra væskeform til gassform. Under hele lastingen må det følges nøye med på trykker for å unngå en ukontrollert utblåsning i sikkerhetsventilene.
For å unngå en ukontrollert utblåsning dersom trykket stiger, kan en redusere lasteraten slik at «Cargo cooling plant» får kjølt ned gassen eller dersom mulig øke kjølekapasiteten på gassen.
Lasting med vapour return
Lasting med vapor return er den sikreste måten å laste en gasstanker på (kan brukes på alle gasstankere). Når vi laster med vapour return er lastearmen og vapour line koblet på manifolden. Lasten blir enten pumpet om bord eller trykket om bord, overskuddstrykket returneres til land gjennom vapour linen hvor gassen blir gjort om til væskeform igjen og går tilbake på tanken i land.
Lasting med vapour return og cargo cooling plant
Det er to typer "Cargo cooling plant», en direkte kjøling og en indirekte kjøling.
Ved direkte kjøling kjøles gassen ned i lastekondensatoren og omgjør den til væskeform.
Indirekte kjøling, her kjøles tanken (stålkonstruksjonen til tanken) ned eller bare de delene av tanken som er gassfylt for å gjøre gassen om til væske. Når en laster full nedkjølt eller semi-nedkjølt last må vi prøve å få så mye vapour til land som mulig for å prøve å holde tanktrykk lavest mulig.
Losse rutiner
Viktig informasjon før en ankommer lossehavn, er temperaturen på lasten (lossetemperaturen er ofte gitt i «Charter party»), mottrykk fra terminalen, flensstørrelsen på losselinen.
Det skal lages en losseplan, med lastens navn, frekvens og losserate som skal diskuteres mellom land og skip.
Det skal også komme frem før lossing om lasten må varmes, om boostepump skal brukes (må brukes ved stort mottrykk), minimum og maksimum temperatur på lasten og maks mottrykk ved lossing.
Det er to hoved metoder for lossing av gasstanker, enten med lossepumpe eller trykk, dersom mottrykket er stort kombineres disse metoden med en boosterpumpe.
Ved start av lossing brukes kun en pumpe, det losses med delvis åpen ventil til land og har linen tilbake til tanken åpen. Dette er for å kjøle ned linenen. Mens linene kjøles ned sjekkes det for lekkasje og tank ventilen åpnes mer og mer, slik at all lasten går til land og trykket på pumpen økes gradvis.
Etter en stund stenges ventilen som går tilbake til tanken.
Lossing med overtrykk
Ved lossing med trykk må skipets trykk være over terminalen sitt trykk på tankene. Dette er den letteste måten og losse skipet på. Trykket i tanken vår vil synke når lossingen har begynt, de to mest normale måtene å øke trykke på er å tilføre nitrogen fra land eller å tilføye varmere gass på tankene. Dette er de mest normale måtene å losse på for semi- og fulltrykks skip.
Lossing med sentrifugalpumpe
De mest brukte pumpene på en gass tanker er sentrifugalpumper, enten en deep weel eller en submerge pumpe. Gasstankere har som regel en pumpe i hver lastetank og en booster pumpe på dekk. Dersom trykket blir for høyt på terminalsiden må de bruke begge pumpene. Sjekk alltid når en losser at lasten går ut, det skal skrives en time logg (losse logg) på trykk og lossevolum.
Lossing til skip
Dersom en losser til skip skal en følge ship transfer guide.
Noen ganger er det for lav temperatur på lasten i forhold til temperaturen som er ønsket av terminalen. Da brukes cargo heater under lossing, den vil varme opp lasten.
Lasteoperasjon LNG
Lastelinene må kjøles ned før lasting, dersom dette kan gjøres før ankomsthavn sparer det mye tid. Før nedkjøling av linene skal koblingen purges med N2 til en måler et O2 nivå på 0%. Veldig ofte kjøles skipets line ned når terminalen kjøler ned lastearmen/linene sine. Gass (i væske form) pumpes fra land med en lav rate inn i skipets «spray line. Linene skal trykk testes opp til 5 bar før lasteoperasjonen skal begynne. Trykket skal sjekkes fra kontrollrommet «CCR», mens en matros sjekker for lekkasje på dekk.
Temperaturen som kreves i tanken før lasting er - 130°C, for å komme ned til denne temperaturen kreves 4- 5 timers spraying. Nedkjølingen av tankene i form av spaying sørger for ekstra vapour (gass) som må returneres til land. Gassen returneres til land ved hjelp av en kompressor.
Topping av tanker
Lastemaskinist skal assistere overstyrmannen med topping av tanker, det er normalt å sette en dekksoffiser med domen til tanken når det toppes opp. En time før en starter topping av den første tanken er det normalt å redusere raten, ca 3000 m³/h etter hvert som flere av tankene er toppet opp reduseres raten ytterligere til ca 1000 m³/h.
Reserve/manual avlesningsutstyr som ullasje måler skal være klar til bruk ved topping av tanker. Når tanken er full skal det dobbeltsjekkes at tankventilen er stengt visuelt.
Hva må gjøres dersom en skal laste en annen type last og en må rengjøre mellom lastene?
All form for gassfriing av tanke skal normalt kun forekomme dersom en skal gjøre en av de følgende tingen:
- Bytting av last (lastetype).
- Lastetankinspeksjon.
- Tank reparasjon.
- Dokking/klassing på verft.
Gassfriing av lastetanker skal unngås, det er en veldig kossbar affære og kan kun gjennomføres dersom en har fått tillatelse fra rederiet og chartaren.
Noen produkter kan lastes om en annen uten å gassfri tankene. Et eksempel på dette er butan og propan, her vil ikke gassene reagere med hverandre. Men det er viktig at alt av flytene gass er losset dersom en skal comingle to gasser uten gassfriing mellom produktene. En skal alltid ha tillatelsen av charter dersom en skal laste en last på en annens last vapour.
Gassfriing
Ved gassfriing skal alt av flytende last losses ut av lastetanken. De mest brukte metodene for å frigjøre tanken for gass i væskeform er enten å blåse varm gass ned i pumpe sumpen eller å trykk-sette tanken og tømme tanken gjennom «empty blow line». Når varm gass blir blåst ned i sumpen vil gassen koke og fordampe. Ved fordampning, prøv å hold trykke så lavt som mulig, det gjør det lettere og fordampe lasterestene (lavt trykk gir lavere kokepunkt, som gir mer last som fordamper).
Dersom en skal ventilere en gasstank med luft etter den er tom, er maksgrensen for hydrokarbongass (Hc) 2% når en starter ventilasjonen av atmosfæren i tanken.
5.8.3 Laste/losse operasjoner i gasstankere
Detter har vært gjennomgått i punkt 5.8.2.
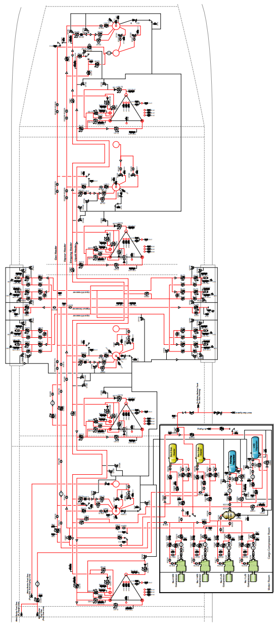
5.8.4 Rør og pumpesystemer
Lastetank LNG
Bildene under dette avsnittet er fra en LNG-tanker med en total lastekapasitet på 140 000 m³, bildene og informasjonen er hentet fra skipets Cargo Operation Manual.

Lastetankene på dette skipet består av fire tanker, disse er separerte fra hverandre med kofferdammer som alle er tørre rom. Tankene består av dobbel membran.
Primary barrier er en membran som er i kontakt med lasten, membranen er fleksibel.
Primary Insulation er en dobbel barriere med kryssfinerplater, er en plate mot primary barriere og en mot secondary barriere, hulrommet mellom platene blir fylt med (perlite) perlitt.
Secondary membran er den andre fleksible membranen som består av det samme som primary membran, denne er i kontakt med innerskroget. Det er krav til to seperate barrierer for å hindre lekkasje fra lasten og det gir en god isolasjon for det indre skroget til skipet.
Primary og secondary isolasjonsområdet er under kontrollert trykket atmosfære med nitrogen. Nitrogenen kan beveges fritt mellom perlittene som er bokssett inne med kryssfiner.
Perlitt er en vulkansk stein, som har blitt utsatt for høy temperatur og egner seg meget godt til isolasjon.
Boil rate
Selv etter å ha isolert lastetanke, slik som forskrevet på bilde, kan boil of raten være så høy som 0,15% per dag.
Vapour dom
Vapour dome er normalt plassert i det geometriske senteret til tanken opp under dekk. I vapour domen finner vi ofte følgende:
- En vapour tilførsel-/retur line der en får tilført vapour når en losser, og returnerer til land når en laster. Her mottar/kommer også boil offen (avkoket) når tanken er lastet.
- Spray linen for nedkjøling.
- To P/V ventiler, som ventilere til nærmeste mast (ca 250 mbar og -10 mbar).
- Trykksensorer.
- Sikkerhetsventil for laste/losse linene.
Liquid dome
Liquid dome er plasert akterut i tanken, og røroplegget til pumpene går via denne. Du finner også følgende i liquid dome.
- Lossepumpe
- Nød lossepumpe
- Stripping/spraying pump
- Fyllings line
EX område/Gass faresone

Faresonen i henhold til DNV regler, part.5 sec.3. B
Faresonen går:
- 3 meter fra alle lastetankåpninger, flenser til lasteliner, laste ventiler.
- 4,5 meter fra ventilasjonen til kompressorrommet og pumperommet.
- 9 meter fra P/V ventilen på lastetankene.
Brennbarhetsdiagram

- A – B Viser oksygen innholdet.
- A – C viser methane innholdet.
- E – D – F – E viser den brennbare sonen, i denne sonen er det fare for eksplosjon.
Eksempel 1.
Dersom en har 5% oksygen og 10% methane vil den resterende atmosfæren består av 85% Nitrogen, og det vil være for lite oksygen til å starte en eksplosjon.
Eksempel 2.
Dersom en har 5% oksygen og 70% methane, inneholder blandingen for mye methane til å kunne eksplodere.
Eksempel 3.
Dersom en har 15% oksygen og mellom 5– 0% methane er vi inne i sekken (E – D - F - E) og det kan forekomme en eksplosjon.
Oppgave 1
Tanken er tom og du skal på verksted, du har målt følgende verdier oksygen 4% og methane 70%.
Kan du starte ventilering av tanken med friskluft, dersom ikke hva må du gjøre?
Cargo piping system


Cargo piping system


Losse pumper

Pumpene som er brukt på følgende skip, er deep weel sentrifugal pumper som er drevet av en elektromotor som befinner seg inne i pumpen. LNG gassen som fraktes, brukes som kjølemedium på pumpelagrene. Pumpen er installert 90 mm fra tanktoppen (bunnen av tanken).
Losseventilen skal alltid være minst 5% åpen når en starter lossingen, dette for å få kjøling til lagrene og hindre for mye vibrasjon i pumpen. En kan ha full losserate på pumpene til nivået i tanken er ca 2,2 meter, da vil pumpene miste sugeevnen. Normalt å redusere åpningen på losseventilen eller stoppe den ene pumpen, som gjør at en kan losse videre uten at pumpen tripper. Normalt kan en losse til en har sirka 0,5 meter på tanken, dersom en har akterlig trim kan en losse ytterligere, da pumpene befinner seg i akterkanten på skipet.
Ved ullasjemåling (gauging) skal skipet alltid være even keel. Dette er for å få en mest nøyaktig måling av innholdet på tankene.
NB
Pumpene skal aldri starte mot stengt losseventil, da det er potensielt stor fare for den ikke får smøring og det ikke er tilstrekkelig med kjøling for motor og lagre. Stor vibrasjon forekommer når pumpene går med null flow.
Stripping/spray pump

Samme type pumper som lossepumpene, men mindre dimensjon. Disse brukes til følgende:
- Kjøle ned losselinene før lossing.
- Kjøle ned lastetankene under ballast reise før ankomst lasteterminal, dette gjøres med å kjøre LNG til spray rail til tank temperaturen er sirka - 130°C.
- For å pumpe LNG fra tanken til forcing vapouriser eller LNG vapouriser (nødstilfelle).
- For å kunne losse tankene så mye som mulig, dersom en skal på verksted eller må ha tank inspeksjon på tanken.
Noen ganger er det lurt å starte strippepumpen litt tidlig, minimum nivå i tanken for å start pumpen er 0,35 meter, kan startes på et lavere nivå i et nødstilfelle.
5.8.5 IGC-Code
Oppgave 1. Spørsmål fra IGC-koden
Spørsmål fra kapittel 1.
a) Hva menes med følgende ord tank dome og thermal oxidation?
b) Hvilke survey skal et gasstankskip gjennom på en femårsperiode?
Spørsmål fra kapittel 2.
c) Hva er forskjellen på følgende typer gasskip, 1G, 2G, 2PG og 3G?
Spørsmål fra kapittel 4.
d) Hvilke mål «Goal» stilles for å frakte lasten sikkert i lastetankene?
e) Hva menes med independent tanks, membrane tanks, integral tanks og semi-membrane tanks?
f) Ifølge punkt 4.5 kapittel 4, hvilke krav stilles dersom en skal frakte last som er under - 55°C?
g) Ifølge punkt 4.10, hva er kravet til thermal insulation?
h) Hva skal testtemperaturen på primary og secondary barriers være ifølge 4.19.2.4?
Spørsmål fra kapittel 9.
i) Hvilke krav stilles det til Inertgassproduksjon om bord?
Spørsmål fra kapittel 15.
j) Hva menes med filing limit og loading limt?
k) Hvor mange prosent kan vi laste i tankene?
Spørsmål fra kapittel 19.

Bildet er tatt fra IGC-koden.
l) Hva betyr alle disse koden som gjelder for lasten Acetaldehyde?

